kaiyun·开云(中国)官方网站

在线留言 收藏本站 网站地图欢迎进入kaiyun·开云(中国)官方网站-kaiyun.com 网站!

青天仪表

20年专注流体测控设备,畅销全球近160个国家稳定性好、库存充足、支持定制

服务热线:17530107806

青天仪表kaiyun·开云(中国)官方网站

号外!号外!青天仪表科技园二期建设开工啦!

头条
开封市政府刘副市长和祥符区王区长一行莅临青天伟业,公司总经理张盛海,外贸部经理胡洋,财务总监田永新陪同分别在电磁事业部,气体事业部及青天仪表科技园二期现场参观!......
智能型涡街流量计如何做好安装?

智能型涡街流量计如何做好安装?

智能型涡街流量计在这些实际安装的时候将有各种不同的安装方式,不过从现在的情况下来看,基本上很多人对于智能型涡街流量计还是非常感兴趣的,因为这种产品毕竟在工业上的应用非常广泛,那么一旦要进行安装的话,可…
插入式涡街流量计功能异常该怎么办?

插入式涡街流量计功能异常该怎么办?

插入式涡街流量计虽然具有稳定的使用功能,在性能方面很卓越,但难免在实际工作中会出现一些故障问题,尤其是很容易出现功能异常等情况,在这种情况下就会影响到正常的工作流程,如果想避免造成极大损失,建议要注意…
影响电磁流量计架构变化的市场趋势有哪些?

影响电磁流量计架构变化的市场趋势有哪些?

有多种行业趋势在呼唤新架构。其中之一是对数据日益增加的需求。对于液体,监测除流量外的其他属性的能力正在变得越来越有价值。例如,为了确定液体中可能有哪些污染物,或者为了确定液体是否有适合特定应用的正确密…
电磁流量计传感器测量的传统方法是什么?

电磁流量计传感器测量的传统方法是什么?

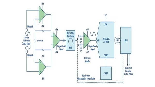
电磁流量计传感器测量的传统方法大致上是模拟式—具有高输入阻抗和高输入共模抑制性能的前置放大器用来应对传感器漏电流效应,然后是三阶或四阶模拟带通滤波器和采样保持级,最后是模数转换。典型模拟前端方法如下图…
电磁流量计的传感器输出范围是多少?

电磁流量计的传感器输出范围是多少?

电磁流量计的传感器提供差分输出。其灵敏度典型值为150μv/(m)至200μv/(m)。由于激励电流的方向不断交替,因而传感器输出信号幅度会加倍。对于0.5米/秒至15米/秒的流速测量范围,传感器输出…

咨询热线

17530107806